文章目录
- 1 主存简单模型及寻址的概念
- 1.1 主存储器
- 1.1.1 存储器芯片的基本结构
- 1.1.2 寻址
- 2 半导体存储器
- 2.1 半导体随机存取存储器
- 2.1.1 DRAM的刷新
- 2.1.2 SRAM的读周期
- 2.1.3 SRAM的写周期
- 2.1.4 RAM-易失性存储器
- 2.2 ROM
- 2.2.1 ROM分类
- 2.2.2 半导体随机存储器小结
- 3 存储器分类
- 3.1 存储器的性能指标
- 3.2 存储器的层次化结构
- 3.3 存储器概念小结
- 4 主存与CPU的连接
- 4.1 主存容量扩展-位扩展
- 4.2 主存容量扩展-字扩展
- 4.3 主存容量扩展-字位同时扩展
- 4.4 字位扩展实例
- 5 双口RAM多模块存储器
- 5.1 双端口RAM
- 5.2 多模块存储器
- 5.2.1 单体多字存储器和多体并行存储器
- 5.2.2 多体并行存储器工作模式
- 5.2.3 流水线
存储系统总述:

1 主存简单模型及寻址的概念
1.1 主存储器

存储体负责存储具体的二进制位
地址寄存器接收外部功能部件传到存储器的地址
数据寄存器暂存要传出去或传进来的数据信号
存储体、地址寄存器、数据寄存器在一个时序控制逻辑的控制下协调工作
1.1.1 存储器芯片的基本结构

- 存储矩阵:由大量相同的位存储单元阵列构成。
- 译码驱动:将来自地址总线的地址信号翻译成对应存储单元的选通信号,该信号在读写电路的配合下完成对被选中单元的读/写操作。
- 读写电路:包括读出放大器和写入电路,用来完成读/写操作。
- 读/写控制线:决定芯片进行读/写操作。
- 片选线:确定哪个存储芯片被选中。可用于容量扩充。
- 地址线:是单向输入的,其位数与存储字的个数有关。
- 数据线:是双向的,其位数与读出或写入的数据位数有关。
- 数据线数和地址线数共同反映存储芯片容量的大小。
如地址线10根,数据线8根,则芯片容量=210×8=8K位。
n位地址一>2n个存储单元总容量=存储单元个数×存储字长
=23×8bit=23×1Byte=8B
8×8位的存储芯片
常见的描述:
8K×8位,即213×8 bit = 8 KB 地址线13根,数据线8根
8K×1位,即213×1 bit = 8 Kb=1 KB
64K×16位,即216×16 bit
1.1.2 寻址

2 半导体存储器
2.1 半导体随机存取存储器

2.1.1 DRAM的刷新
- 多久需要刷新一次?刷新周期:一般为2ms
- 每次刷新多少存储单元?以行为单位,每次刷新一行存储单元
——为什么要用行列地址?减少选通线的数量
行列地址:行地址决定存储单元在哪一行,列地址决定存储单元在那一列,行列交叉即可得存储单元位置
地址0000,0000 对应行地址0000,列地址0000,选中(0,0)号存储单元(8位二进制,行4位,列4位)
- 如何刷新?有硬件支持,读出一行的信息后重新写入,占用1个读/写周期
- 在什么时刻刷新?
假设DRAM内部结构排列成128×128的形式,读/写周期(存储周期)0.5us
2ms共2ms/0.5us=4000个周期

2.1.2 SRAM的读周期

2.1.3 SRAM的写周期

2.1.4 RAM-易失性存储器

2.2 ROM

用RAM做主存,一旦断电,内容全部丢失,ROM掉电之后,内容不会丢失,而且ROM可以直接跟CPU通信
用ROM存储一些开机之后必要的信息,而更详细的、正在运行的程序的数据放在RAM中
2.2.1 ROM分类

2.2.2 半导体随机存储器小结

3 存储器分类

按特点和使用方法的不同,可以分为以下几类:

3.1 存储器的性能指标
- 存储容量:存储字数×字长(如1M×8位)。 存放的二进制位数或字(字节)数
- 单位成本:每位价格=总成本/总容量。
- 存储速度:数据传输率=数据的宽度/存储周期。

- 存取时间(
Ta):存取时间是指从启动一次存储器操作到完成该操作所经历的时间,分为读出时间和写入时间。- 存取周期(
Tm):存取周期又称为读写周期或访问周期。它是指存储器进行一次完整的读写操作所需的全部时间,即连续两次独立地访问存储器操作(读或写操作)之间所需的最小时间间隔。- 主存带宽(
Bm):主存带宽又称数据传输率,表示每秒从主存进出信息的最大数量,单位为字/秒、字节/秒(B/s)或位/秒(b/s)。
3.2 存储器的层次化结构

3.3 存储器概念小结

4 主存与CPU的连接
4.1 主存容量扩展-位扩展
CPU数据线数与存储芯片的数据位数不相等时,此时必须对存储芯片扩位,增加存储字长,使其数据位数与CPU的数据线数相等
8Kx1位芯片说明:1根数据线D0
13根数据线A0~A12
片选线 CS: 高电平有效, 收到1工作,收到 0 不工作
读写控制线 WE :高电平有效
位扩展:
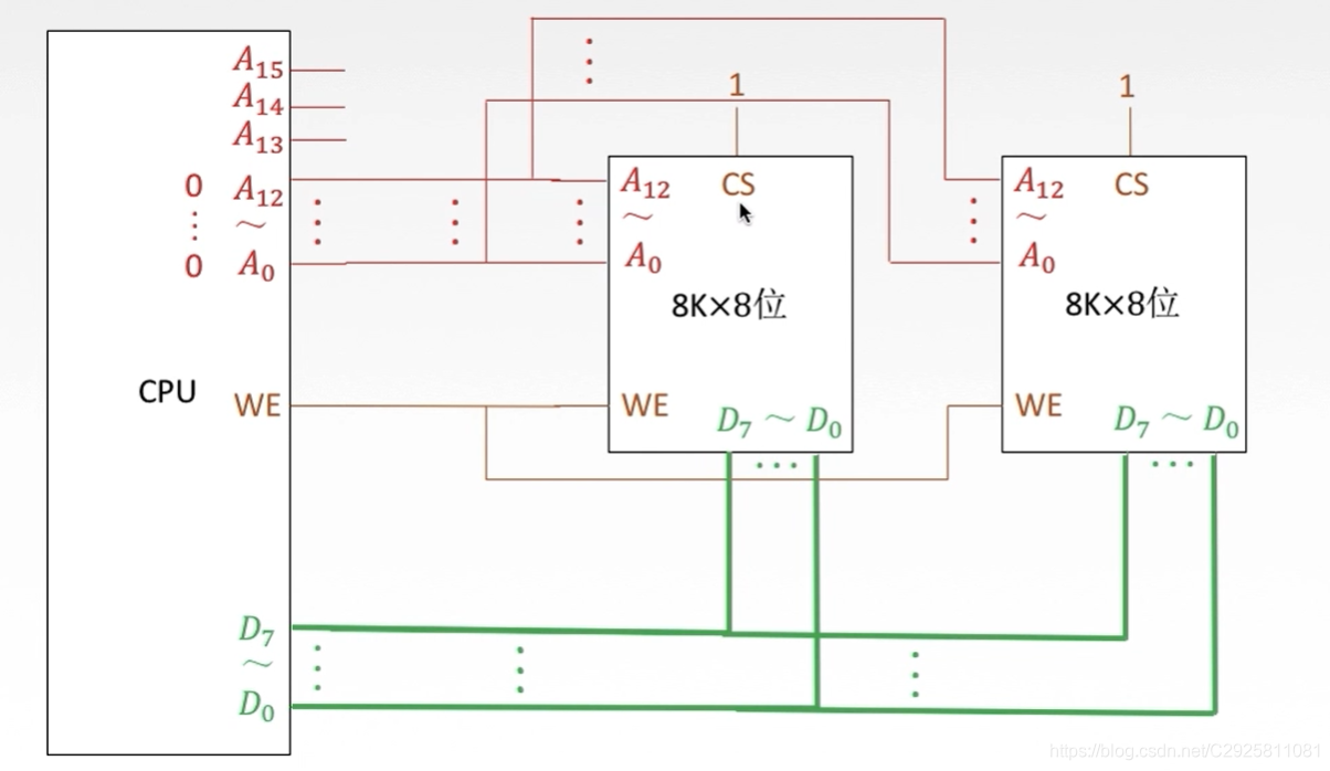
4.2 主存容量扩展-字扩展
增加存储器芯片中字的数量,位数不变
方案1:
当两个芯片CS同为1时,无法进行正常读写,两位存储器芯片可能冲突
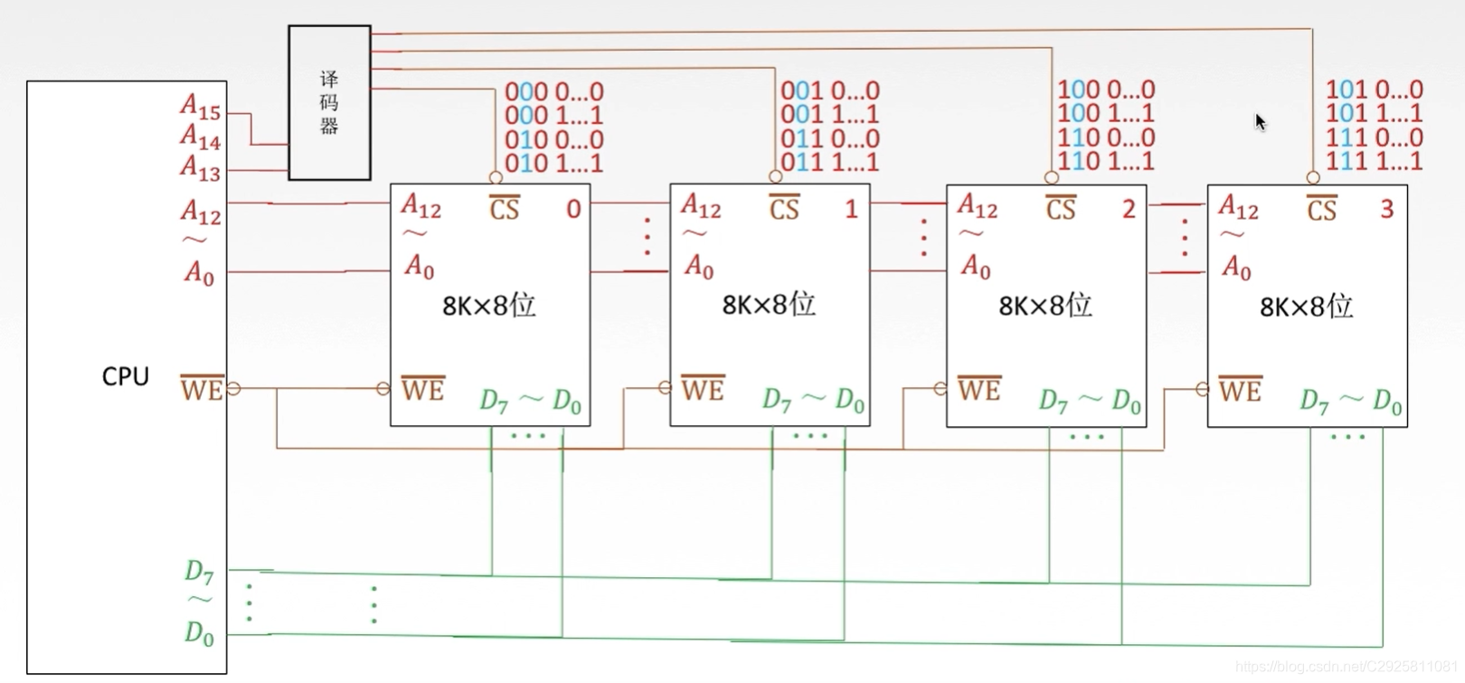
方案2:使用地址线控制片选信号
方案3:使用非门控制片选信号
译码器:
译码器左边101对应5(A低位,C高位),则右边Y5置1

片选信号区分芯片地址范围:
- A13A14为00时,译码器对应0号线有效,其余皆无效,选中0号芯片,
地址范围:00,0…00~00,1…11- A13A14为01时,译码器对应1号线有效,其余皆无效,选中1号芯片,
地址范围:01,0…00~01,1…11- A13A14为10时,译码器对应0号线有效,其余皆无效,选中2号芯片,
地址范围:10,0…00~10,1…11- A13A14为11时,译码器对应0号线有效,其余皆无效,选中3号芯片,
地址范围:11,0…00~11,1…11
特殊情况:
- A13A15为00时,译码器对应0号线有效,其余皆无效,选中0号芯片 , A14不用管,取0取1无影响

4.3 主存容量扩展-字位同时扩展
用
8片16Kx4位的芯片组成64Kx8位的存储器:
- 每两片构成一组
16Kx8位的存储器(位扩展)4组构成64Kx8位存储器(字扩展)- 地址线 A15A14经 2/4译码器得到4个片选信号
- A15A14=00时,输出端0有效,选中第一组芯片(①②)
- A15A14=01时,输出端1有效,选中第二组芯片(③④)
4.4 字位扩展实例

解题步骤:
数据线:CPU数据线8根→存储器位数应扩展为8位,如果没有8位的芯片,应选择低位扩展到8位
地址线:首先确定内存空间的分配
- 67FFH-6000H+1=7FFH+1=800H 表示800H地址空间内有2K个存储单元,每个存储单元8位,则存储容量2KB
- 6BFFH-6800H+1=3FFH+1=400H(B:11,11-8=3)
分析地址线如何跟CPU之间进行连接:把地址空间写成二进制形式
总的地址线16根,而ROM 11根,RAM 10根,把低地址位位直接相连,剩下的高位作为选片信号
- 3/8译码器:在剩下的地址位中选三位做片选信号,选取原则:以低位占用最多的存储为准,向它高位选三位,用此三位做3/8译码器的输入。即100时选中ROM,101选中RAM
- 剩下的01做译码器使能端(使能端刚好需要一个1和0),最后的一个端口连MREQ,决定译码器是否工作。而MREQ是低电平有效,只能连0,不可以连1,是译码器开关

说明:
低10位 A0~A9直接连到每一块存储器芯片;
ROM需要11位地址线。把A10直接连到ROM;
CBA 刚好直接用,100对应Y4,连到ROM;
ROM 不仅要求 CBA 101 对应Y5,还要求第10位地址必须是0才可以选通;
A10=0 表示A10经过一个非得1,Y5非为0,经过一个非得1,将两个1与一下,即得RAM的选通信号,非作用就是低电平有效;
A14A151 0 充当译码器使能端信号,A14连上1,A15连上0;
MREQ 是低电平有效,接最后一个使能端;
数据线 ROM 8 位直接连CPU数据线;
RAM 经过扩展了,一个连低四位,另外一个连高四位;
最后读写控制线WR的连接,只有RAM需要直接连接CPU的读写控制线,ROM读写控制线是一个静态状态,直接给一个固定信号,题意要求低电平有效,所以可以直接连接地面。
5 双口RAM多模块存储器
为了提高CPU访问存储器的工作速度
5.1 双端口RAM
双口RAM空间上并行,当两个端口地址不相同时,在两个端口上读写一定不会冲突
两个端口对同一主存操作有以下4种情况:
- 两个端口不同时对同一地址单元存取数据。没有问题
- 两个端口同时对同一地址单元读出数据。没有问题
- 两个端口同时对同一地址单元写入数据。可能写入错误
- 两个端口同时对同一地址单元,一个写入数据,另一个读出数据。可能读出错误
解决方法:置“忙”信号为0,由判断逻辑决定暂时关闭一个端口(即被延时),未被关闭的端口正常访问,被关闭的端口延长一个很短的时间段后再访问。
5.2 多模块存储器
5.2.1 单体多字存储器和多体并行存储器

5.2.2 多体并行存储器工作模式
多体并行存储器工作模式依赖于地址的设置方式
高位交叉编址的多体存储器:体号在前体内地址在后,地址的高位决定现在访问的是哪个体,低位决定访问体内的哪一块单元
低位交叉编址的多体存储器:体号在后体内地址在前,地址的低位决定现在访问的是哪个体,高位决定访问体内的哪一块单元
高位交叉编址的多体存储器:由上往下编,每个存储体地址的高位一致,对应存储体下标,如00对应M0
低位交叉编址的多体存储器:由左往右编,每个存储体地址的低位一致,对应存储体下标,如01对应M1
5.2.3 流水线
微观(计算题)
模块数m=4,存储周期为T,字长W,数据总线宽度为w,总线传输周期为r,连续存取n个字,求交叉存储器的带宽。
上面题目对应:有m个存储体,存储周期为T,字长W,每隔r时间启动下一个存储体,连续存取n个字,求存储器的存取速率。


宏观(概念题)
一个存储周期内,交叉存储器可以提供的数据量为单个模块的m倍。

















