一、简述
静态时序分析是检查系统时序是否满足要求的主要手段。以往时序的验证依赖于仿真,采用仿真的方法,覆盖率跟所施加的激励有关,有些时序违例会被忽略。此外,仿真方法效率非常的低,会大大延长产品的开发周期。静态时序分析工具很好地解决了这两个问题。它不需要激励向量,可以报出系统中所有的时序违例,并且速度很快。但并没有进行系统功能上的验证。

上图我们可以看到静态时序分析在整个芯片设计流程中的位置,可以发现STA几乎涉及后端的全部阶段,是sign off的重要工具。。通过静态时序分析,可以检查设计中的关键路径分布;检查电路中的路径延时是否会导致setup违例;检查电路中是否由于时钟偏移过大导致hold违例;检查时钟树的偏移和延时等情况。此外静态时序分析工具还可以与信号完整性工具结合在一起分析串扰问题。常用的静态时序工具是PrimeTime。其主要输入输出为:

相对于动态仿真,我们可以得出下表:

二、基本概念
1.建立时间(setup time)
触发器的时钟信号上升沿到来以前,数据稳定不变的时间,如果建立时间不够,数据将不能在这个时钟上升沿被打入触发器

2.保持时间(hold time)
触发器的时钟信号上升沿到来以后,数据稳定不变的时间,如果保持时间不够,数据将不能被打入触发器。

3.时间裕量(time slack)
传输中的信号的真实时间于需求时间之间的差值。通常用来表示设计是否满足时序要求。

Setup slack = Data Required Time(setup) - Data Arrival Time
Hold slack = Data Arrival Time - Data Required Time (hold)
4.时钟抖动(clock jitter)
指时钟边沿变化不确定的时间。
5.时钟偏斜(clock skew)
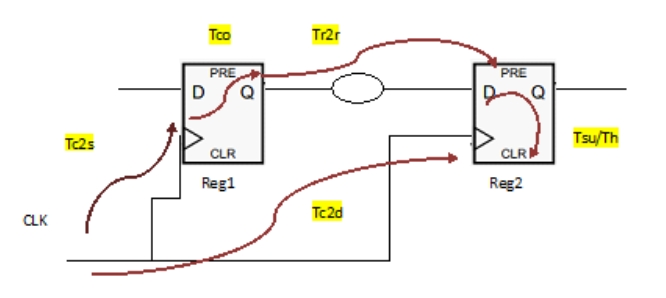
时钟和其它信号的传输一样会有延时的。下图中,时钟信号从时钟源传输到源寄存器的延时定义为Tc2s ,传输到目标寄存器的延时定义为 Tc2d。

时钟偏斜是指时钟源到达源寄存器和目的寄存器的时间偏移。其计算公式为:Tskew = Tc2d – Tc2s。
6.时序分析起点(launch edge)
第一级寄存器数据变化的时钟边沿,也是静态时序分析的起点。
7.时序分析终点(latch edge)
数据锁存的时钟边沿,也是静态时序分析的终点。
8.数据输出延时(Clock-to-Output Delay)
这个时间指的是当时钟有效沿变化后,数据从输入端到输出端的最小时间间隔。
9.数据到达时间(data arrival time)
输入数据在有效时钟沿后到达所需要的时间。主要分为三部分:时钟到达源寄存器时间(Tc2s),寄存器输出的延时(Tco)和源寄存器到目的寄存器数据传输的延时(Tr2r),如下图:

因此,Data Arrival Time = launch edge + Tc2s + Tco + Tr2r
10.数据需求时间(Data Required Time)
在时钟锁存的建立时间和保持时间之间数据必须稳定,从源时钟起点达到这种稳定状态需要的时间即为数据需求时间。如下图:

因此,(建立)Data Required Time = latch edge + Tc2d – Tsu;
(保持)Data Required Time = latch edge + Tc2d + Th;
而习惯用Clock Arrival Time (时钟到达时间)= latch edge + Tc2d
三、基本流程

STA主要分为以下三步:
1、将整个电路设计分割成不同的时序路径
2、计算每一条时序路径的逻辑延时
3、检查时序路径是否满足其时序约束
时序路径可分为以下四种:
