基于FPGA的数字跑表的设计与实现
一、设计要求
用FPGA设计并实现一个数字跑表,范围为0~59分59.99秒。可以实现数字跑表进行启动、停止计时和显示读数三个操作,可以在数码管上显示读数。
二、设计任务
2.1基本部分
(1)了解FPGA开发板,了解数字跑表的功能。
(2)VHDL语言编程实现数字跑表系统的功能模块,数字跑表进行启动、停止、显示读数操作,并具有计时清零功能;
(3)程序编译正确,在Modelsim中仿真正确;
(4)采用FPGA开发板作为开发平台,能够下载验证。
2.2提高部分
能够采用原理图设计法设计。
三、设计原理
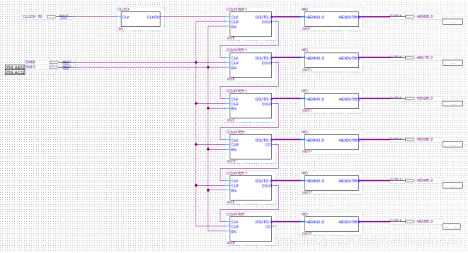
图3.1系统框图

如图,如果要实现计时范围为0~59分59.99秒的数字跑表并在数码管上显示读数,那么需要设计时钟电路、分频电路、计数器电路、译码显示1电路。将DE1-SOC开发套件中提供的50MHZ时钟进行分频至100HZ后送入100进制计数器,计数器计满100后发出进位信号送入计秒模块的60进制计数器,计数器满60后发出进位信号送入计分模块的60进制计数器,每个计数器分别连接不同的数码管显示电路,实时显示计时效果。因此使用原理图输入设计法,使用QuartusII软件编写元件代码和绘制原理图,而后进行综合仿真。
四、设计方案
4.1 硬件设计
本设计需要用到一个稳定的50MHZ的时钟,一个500000分频的分频器,一个100进制计数器,两个60进制计数器,两个拨码开关,六个7段数码管。综上所述,DE1-SOC开发套件提供的FPGA芯片可满足对分频器和计数器的设计需求,丰富的外部设备可满足对数码管和拨码开关的需求。
图4.1 DE1-SOC开发板实物图
4.2 软件设计
一百进制计数器采用两个十进制计数器级联的方式实现,六十进制计数器采用十进制和六进制计数器级联的方式实现。
4.2.1 分频器
LIBRARY IEEE;
USE IEEE.STD_LOGIC_1164.ALL;
USE IEEE.STD_LOGIC_ARITH.ALL;
USE IEEE.STD_LOGIC_UNSIGNED.ALL;
ENTITY CLOCK IS
PORT(CLK:IN STD_LOGIC;CLKOUT:OUT STD_LOGIC);
END CLOCK;
ARCHITECTURE RTL OF CLOCK IS
SIGNAL CLK_1_REG: STD_LOGIC := '1';
BEGIN
CLKOUT<=CLK_1_REG;
PROCESS(CLK)
VARIABLE COUNT :INTEGER RANGE 0 TO 500000;
BEGINIF(CLK'EVENT AND CLK='1')THENIF COUNT = 500000 THENCOUNT:=0;CLK_1_REG<=NOT CLK_1_REG;ELSECOUNT:=COUNT+1;END IF;END IF;END PROCESS;END RTL;
4.2.2 数码管显示电路
LIBRARY IEEE;
USE IEEE.STD_LOGIC_1164.ALL;
ENTITY HEX IS
PORT( HEXIN:IN STD_LOGIC_VECTOR(3 DOWNTO 0);HEXOUT:OUT STD_LOGIC_VECTOR(6 DOWNTO 0));
END HEX;
ARCHITECTURE RTL OF HEX IS
BEGIN
PROCESS(HEXIN)
BEGINCASE HEXIN ISWHEN "0000" => HEXOUT <="1000000";WHEN "0001" => HEXOUT <="1111001";WHEN "0010" => HEXOUT <="0100100";WHEN "0011" => HEXOUT <="0110000";WHEN "0100" => HEXOUT <="0011001";WHEN "0101" => HEXOUT <="0010010";WHEN "0110" => HEXOUT <="0000010";WHEN "0111" => HEXOUT <="1011000";WHEN "1000" => HEXOUT <="0000000";WHEN "1001" => HEXOUT <="0010000";WHEN "1010" => HEXOUT <="0001000";WHEN "1011" => HEXOUT <="0000011";WHEN "1100" => HEXOUT <="1000110";WHEN "1101" => HEXOUT <="0100001";WHEN "1110" => HEXOUT <="0000110";WHEN OTHERS => HEXOUT <="1000000";END CASE;END PROCESS;
END RTL;
4.2.3 十进制计数器
LIBRARY IEEE;
USE IEEE.STD_LOGIC_1164.ALL;
USE IEEE.STD_LOGIC_UNSIGNED.ALL;
ENTITY COUNTER10 ISPORT(CLK,CLR,EN: IN STD_LOGIC;DOUT : OUT STD_LOGIC_VECTOR (3 DOWNTO 0);COUT : OUT STD_LOGIC);
END COUNTER10;
ARCHITECTURE RTL OF COUNTER10 IS
BEGINPROCESS(CLK,CLR,EN)VARIABLE Q : STD_LOGIC_VECTOR (3 DOWNTO 0);BEGINIF CLR = '1' THEN Q := (OTHERS => '0');ELSIF CLK'EVENT AND CLK = '1' THENIF EN = '1' THEN IF Q < 9 THEN Q := Q + 1;ELSE Q := (OTHERS => '0');END IF;END IF;END IF;IF Q = "0000" THEN COUT <= '1';ELSE COUT <= '0'; END IF;DOUT <= Q; END PROCESS;
END RTL;
4.2.4 六进制计数器
LIBRARY IEEE;
USE IEEE.STD_LOGIC_1164.ALL;
USE IEEE.STD_LOGIC_UNSIGNED.ALL;
ENTITY COUNTER6 IS
PORT(CLK,CLR,EN: IN STD_LOGIC;DOUT : OUT STD_LOGIC_VECTOR (3 DOWNTO 0);CO : OUT STD_LOGIC);
END COUNTER6;
ARCHITECTURE RTL OF COUNTER6 IS
BEGIN
PROCESS(CLK,CLR,EN)
VARIABLE Q : STD_LOGIC_VECTOR (3 DOWNTO 0);
BEGIN
IF(CLR='1')THENQ:="0000";CO<='0';
ELSIF(CLK'EVENT AND CLK = '1') THENIF(EN='1')THENIF(Q <5)THENQ := Q + 1;ELSEQ := (OTHERS => '0');END IF;END IF;
END IF;
IF Q = "0000" THEN CO <= '1';
ELSECO <= '0';
END IF;
DOUT <= Q;
END PROCESS;
END RTL;



QQ:1187060103